
Шайба одновиткова М24
Постачальник:
ПП “ПРОМ-АЛЬЯНС”Контакти:
Для більш швидкої обробки замовлень просимо надсилати інформацію до Viber, WhatsApp, Telegram: +380503252563
пошта: 0577586982@ukr.net
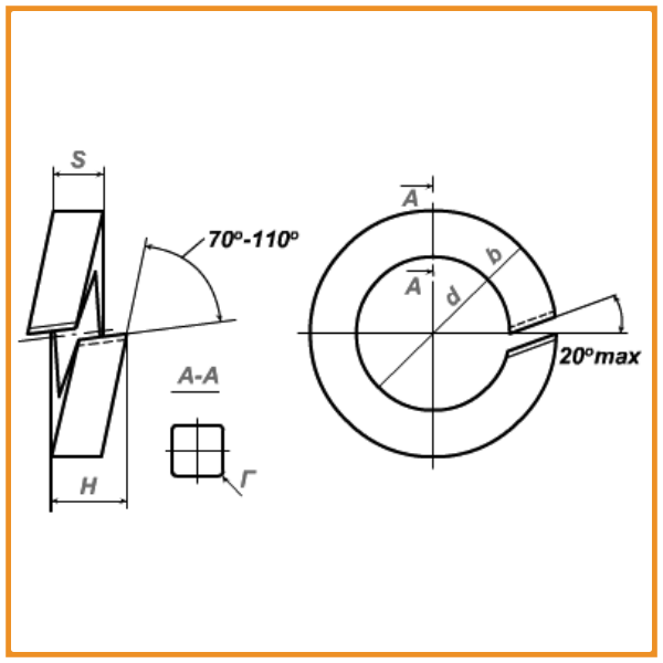
Шайба пружинна колійна одновиткова М24
Шайба одновиткова М24. Залізничне кріплення застосовується для скріплення рейок, прикріплення рейок до шпал і підкладок.
Шайба одновиткова М24 – характеристики:
- Стандарт: ГОСТ 19115-91
- Марка сталі: 65Г, 60С2А
- Клас точності: C
- Вага шайби: 0,065 кг
- Кількість шайби у 1й тоні: 15384 шт.
Інші пропозиції постачальника



