
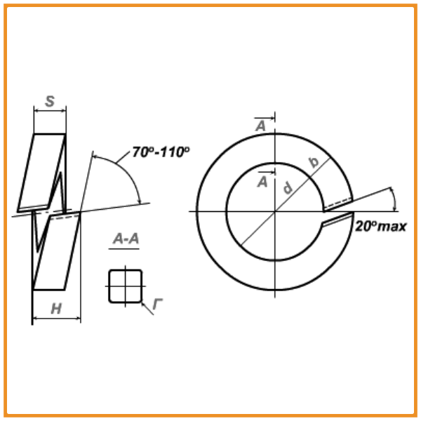
Шайба одновиткова М27
Постачальник:
ПП “ПРОМ-АЛЬЯНС”Контакти:
Для більш швидкої обробки замовлень просимо надсилати інформацію до Viber, WhatsApp, Telegram: +380503252563
пошта: 0577586982@ukr.net
Шайба пружинна колійна одновиткова М27
Шайба одновиткова М24. Залізничне кріплення застосовується для скріплення рейок, прикріплення рейок до шпал і підкладок.
Шайба одновиткова М27 – характеристики:
- Стандарт: ГОСТ 19115-91
- Марка сталі: 65Г, 60С2А
- Клас точності: C
- Вага шайби: 0,077 кг
- Кількість шайби у 1й тоні: 12987 шт.
Інші пропозиції постачальника



