
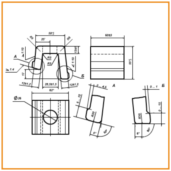
Клема проміжна ПК
Постачальник:
ПП “ПРОМ-АЛЬЯНС”Контакти:
Для більш швидкої обробки замовлень просимо надсилати інформацію до Viber, WhatsApp, Telegram: +380503252563
пошта: 0577586982@ukr.net
Клема проміжна ПК роздільного проміжного скріплення залізничної колії
Клема проміжна ПК застосовується в залізничних скріпленнях для закріплення рейок марок Р-65 та Р-50, за допомогою клемного болта. Залізничне кріплення застосовується для скріплення рейок, прикріплення рейок до шпал і підкладок.
Клема ПК проміжна – характеристики:
- ГОСТ ГОСТ 22343-90
- Матеріал: сталь
- Розмір (д/ш/в): 62х12х55 мм
- Вага клеми ПК: 0,66 кг
- Кількість клеми ПК у 1й тоні: 1515 шт
Інші пропозиції постачальника



