
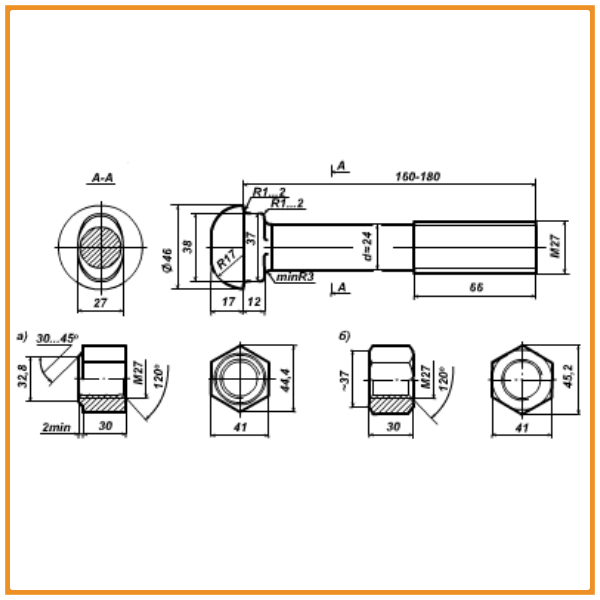
Болт стиковий М27х160
Постачальник:
ПП “ПРОМ-АЛЬЯНС”Контакти:
Для більш швидкої обробки замовлень просимо надсилати інформацію до Viber, WhatsApp, Telegram: +380503252563
пошта: 0577586982@ukr.net
Стиковий болт М27х160. Залізничні скріплення
Болти стикові М27х160 застосовуються для скріплення залізничними накладками стиків рейок типу Р65. Залізничне кріплення застосовується для скріплення рейок, прикріплення рейок до шпал і підкладок.
Болт стиковий М27х160 – характеристики
- Стандарт: ГОСТ 11530-93
- Довжина: 160 мм
- Діаметр різьблення: 27 мм
- Крок різьблення, великий: 2,5 мм
- Поле допуску різьблення: 8q
- Марка сталі: 40Х, 35Х
- Клас міцності болтів: 8,8
- Клас точності: С
- Вага болта вільного: 0,818 кг
- Вага болта з гайкою: 0,895 кг
- Вага болта з гайкою, шайбою (у зборі): 1,098 кг
Інші пропозиції постачальника



