
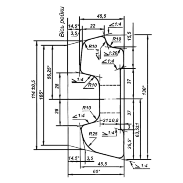
Double-headed rail fishplate for wide track railways, type R65 and R75
Double-headed rail fish plate are designed for the junctions of railway rails of type R65 and R75, as well as for turnout switches with rails of types R65 and R75
Double-headed rail fishplate of type R65 – Technical Specifications:
Steel grade: K54
Quenching: oil
Designation: H1 — length 1000mm (in accordance with DSTU 8848:2019)
Manufacturer: China
| Chemical composition | ||||||
|---|---|---|---|---|---|---|
| Steel grade | Mass fraction of chemical elements | |||||
| К54 | Carbon (С) | Manganese (Mn) | Silicon (Si) | Phosphorus (Р) | Sulfur (S) | Arsenic (As) |
| 0,45 – 0,62 | 0,50 – 0,85 | 0,15 – 0,35 | No more than | |||
| 0.04 | 0.05 | 0.08 | ||||
Mechanical Characteristics:
– Yield strength, N/mm2 (kgf/mm2) — not less than 844 (86.0)
– Tensile strength, N/mm2 (kgf/mm2) — not less than 530 (54.0)
– Elongation after fracture, % — not less than 10.0
– Contraction after fracture, % — not less than 30.0
– Hardness range, HBW — from 235 to 388





